Voltrol
(Control motor)
±âÁ¾¾à¾î ¹× »ç¾ç
S-100 Series
L-100 Series
Torque motor
Á¤°Ý ¹× »ç¾ç
¼öÆòÇü T.Q. Motor
¼öÁ÷Çü T.Q. Motor
¼öÆòÇü T.Q. Geared Motor
¼öÁ÷Çü T.Q. Geared Moto
Çö´ë ÀιöÅÍ
Çö´ë °íÈ¿À² ÀιöÅÍ
Çö´ë ¸ðÅÍ
Çö´ë °íÈ¿À² ¸ðÅÍ
¹æ½ÄÇü ÁÖ¹° ÇÁ·¹ÀÓ »ç¿ë
¿ì¼öÇÑ Àý¿¬ ½Ã½ºÅÛ, ±ä ¼ö¸í
Á¤¹Ð°¡°ø¿¡ ÀÇÇÑ ÀúÁøµ¿, Àú¼ÒÀ½
°íǰÁú¡¤°íÈ¿À² °¨¼Ó±â äÅÃÀ¸·Î ½Å·Ú¼º È®º¸
Ãâ·Â
Àü¾Ð
Phase
Hz
Pole
º¸È£µî±Þ
Àý¿¬°è±Þ
5~500§¸¡¤§¯
600V ÀÌÇÏ
3¥õ
60, 50
2, 4, 6, 8
IP 22, 23, 44
B, F
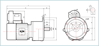
¡Ø ¿ÜÇüµµ¸¦ Ŭ¸¯Çϸé Å« ±×¸²À¸·Î º¸½Ç ¼ö ÀÖ½À´Ï´Ù
[ ±×¸²A ¦ 5~10§¸¡¤§¯ ]
[ ±×¸²B ¦ 20~40§¸¡¤§¯ ]
[ ±×¸²C ¦ 40~150§¸¡¤§¯ ]
[ ±×¸²D ¦ 100~150§¸¡¤§¯ ]
Frame
no
KG·CM
GEAR
RATIO
DIMENSIONS (§®)
±×¸²
4P
6P
A
B
C
E
φF
φG
φH
I
J
K
FH
FV
L
M
N
φP
φZ
Q
QK
φD
S
T
W
V88
5
3
1:5~1:60
260
62
4
12
135
120
-
130
-
19
-
-
301
115
130
150
12
30
25
22
18.5
6
6
A
V105
10
5
1:5~1:60
278
73
4
15
135
150
-
155
-
22
-
-
340
115
155
175
12
40
35
28
24
7
7
V135
20
10
1:10~1:30
370
63
3
15
180
170
230
248
133
115
-
-
373
15¢ª
-
200
15
55
45
32
27
8
10
B
V153
20
10
1:40~1:60
405
65
4
16
180
200
260
277
147
130
-
-
410
28¢ª
-
230
15
55
45
38
33
8
10
V153
30/40
20
1:10~1:30
454
65
4
16
200
200
260
275
145
130
-
-
459
28¢ª
-
230
15
55
45
38
33
8
10
V172
30/40
20
1:40~1:60
503
69
4
18
200
275
340
350
180
170
-
-
512
5¢ª
-
310
19
82
75
45
39.5
9
14
C
V172
60
40
1:10~1:30
542
69
4
18
250
275
340
350
180
170
-
-
555
5¢ª
-
310
19
82
75
45
39.5
9
14
V181
60
40
1:40~1:60
542
89
5
18
250
275
340
350
180
170
-
-
571
5¢ª
-
310
19
82
75
50
44.5
9
14
V172
80
60
1:10~1:20
566
69
4
18
250
275
340
350
180
170
-
-
575
5¢ª
-
310
19
82
75
45
39.5
9
14
V181
80
60
1:30
566
89
5
18
250
275
340
350
180
170
-
-
595
5¢ª
-
310
19
82
75
50
44.5
9
14
V205
80
60
1:40~1:60
592
89
5
18
250
295
380
390
200
190
-
-
621
4¢ª
-
340
19
82
75
55
49
10
16
V181
100
80
1:10~1:20
706
89
5
18
280
275
340
350
180
170
160
-
795
5¢ª
-
310
19
82
75
50
44.5
9
14
V205
100
80
1:30
729
89
5
18
280
295
380
390
200
190
160
-
818
4¢ª
-
340
19
82
75
55
49
10
16
V235
100
80
1:40~1:50
750
113
5
24
280
355
440
450
230
220
160
-
863
8¢ª
-
400
19
105
63
65
58
11
18
V181
150
120
1:10
746
89
5
18
280
275
340
350
180
170
160
-
835
5¢ª
-
310
19
82
75
50
44.5
9
14
V205
150
120
1:15~1:30
769
89
5
18
280
295
380
390
200
190
160
-
858
4¢ª
-
340
19
82
75
55
49
10
16
V270
150
120
1:40~1:50
798
115
5
24
280
435
520
518.5
258.5
260
160
-
913
10¢ª
-
480
19
105
80
70
62.5
12
20
V181
100
80
1:10~1:20
586
89
5
18
280
275
340
350
180
170
-
160
675
5¢ª
-
310
19
82
75
50
44.5
9
14
D
V205
100
80
1:30
636
89
5
18
280
295
380
390
200
190
-
160
698
4¢ª
-
340
19
82
75
55
49
10
16
V235
100
80
1:40~1:60
630
113
5
24
280
355
440
450
230
220
-
160
743
8¢ª
-
400
19
105
63
65
58
11
18
V181
150
120
1:10
626
89
5
18
280
275
340
350
180
170
-
160
715
5¢ª
-
310
19
82
75
50
44.5
9
14
V205
150
120
1:15~1:30
649
89
5
18
280
295
380
390
200
190
-
160
738
4¢ª
-
340
19
82
75
55
49
10
16
V270
150
120
1:40~1:60
678
115
5
24
280
435
520
518.5
258.5
260
-
160
793
10¢ª
-
480
19
105
80
70
62.5
12
20
Add. ´ë±¸±¤¿ª½Ã ´Þ¼±¸ ¼º¼°ø´Ü·Î22¾È±æ 6-8 (¿ù¾Ïµ¿ 1-159¹øÁö)
¦
Tel. 053-585-0063(ÓÛ), 053-585-5478~80
¦
Fax 053-585-1551
¦
E-mail
chan7565@hanmail.net
¾÷ü¸í : ÀÏÁøÅ×Å©³ë
¦
´ëÇ¥ÀÚ : Çã±ÇÂù
¦
»ç¾÷ÀÚ¹øÈ£ : 503 16 80765
¦
°³ÀÎÁ¤º¸Ã³¸®¹æÄ§